Профиль PDS-T-HIDE-2000 (Arlight, Алюминий) 035014 в Чите
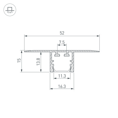
Встраиваемый профиль со скрытым фланцем из анодированного алюминия для контурной подсветки. Совместим с накладным профилем 035020. Габаритные размеры профиля составляют 2000 мм в длину, 52,2 мм в ширину и 15 мм в высоту. Площадка для установки светодиодных лент позволяет использовать ленту шириной до 14 мм и мощностью до 24 Вт/м. Это обеспечивает гибкость в выборе светодиодных лент и создает потрясающие световые решения. Экраны, заглушки и другие аксессуары не включены в комплект и приобретаются отдельно. Цена указана за 1 метр профиля. Отличное решение для создания современных световых проектов.
Алюминиевый профиль для светодиодных лент и линеек, встраиваемый в гипсокартон толщиной 12 мм, под строительную отделку. Позволяет создать линию света шириной 11 мм. без видимых частей алюминия. Монтируется между двумя листами гипсокартона. Совместим с профилем 035020. Габаритные размеры (L×W×H): 2000x52,2x15 мм. Ширина площадки для ленты 14 мм. Экраны, заглушки и другие аксессуары приобретаются отдельно. Цена за 1 метр.
035014 Arlight Профиль Встраиваемый со скрытым фланцем С фланцем Серебристый в Чите
Вы можете заказать Профиль Arlight с доставкой или самовывозом в Чите
просто достаточно позвонить менеджеру и сообщить артикул товара: 035014 или оформить заказ на сайте Arlight Shop Чита
Характеристики
|
Объем м3
|
0.00156 |
|
Гарантия м.
|
24 |
|
Материал корпуса
|
Алюминий |
|
Способ монтажа
|
Встраиваемый со скрытым фланцем |
|
Назначение
|
Для контурной подсветки |
|
Форма (сечение)
|
С фланцем |
|
Цвет покрытия
|
Серебристый |
|
Тип товара
|
Профиль |
|
Гарантийный срок
|
2 год(а) |
|
Модельный ряд
|
PDS |
|
КПД профиля (cветовой)
|
71 % |
|
Рассеиваемая тепловая мощность на 1м
|
max: 24 W |
|
Ширина световой линии
|
11 мм |
|
Внешний вид поверхности
|
Глянцевая |
|
Покрытие поверхности
|
Без покрытия |
|
Длина
|
2000 мм |
|
Ширина
|
52.2 мм |
|
Высота
|
15 мм |
|
Ширина площадки
|
14 мм |
|
Глубина установки источника света
|
10 мм |
|
Кратность цены за 1 м/шт
|
1 |
|
Мощность (прайс)
|
24 Вт |



